Go to the content
您好,欢迎访问无锡华洋液压气动有限公司的企业网站! 咨询电话:0510-8559 0889
加入收藏
企业邮局
全国服务热线电话 HOTLINE:
0510-8559 0889
首页
公司简介
产品中心
新闻动态
客户案例
联系我们
首页
公司简介
产品中心
新闻动态
客户案例
联系我们
全国服务热线电话 HOTLINE:0510-8559 0889
product
产品中心
质量为先 信誉为重
气缸系列
液压缸系列
液压站
气阀类
活塞杆
双作用普通气缸系列
双作用双活塞杆气缸
带开关、带阀、组合气缸系列
JB冶金高能备用气缸系列
QGX轻型气缸系列
QGD.QGY薄气缸系列
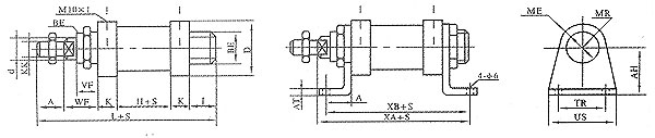
QGX轻型气缸系列
MS1轴间底座安装尺寸:
单位:mm
法兰安装尺寸:
单位:mm
GO TO THE TOP